صفحه اول » محصولات » موتور » ارین موتور ماشین مهندسی » غلتک جاده، جاده ماشین آلات
غلتک جاده، جاده ماشین آلات

غلتک جاده، جاده ماشین آلات

SDEC سازمانی با بالاترین سهم بازار در بازار داخلی جاده غلتکی است. این NO.1 به مدت ده سال متوالی رتبه بندی در بازار داخلی ، با اشغال بازار تا 80 درصد است.

جدول مشخصات
مدلماشین مدل موتور قدرت و سرعت (kW/min) حداکثر گشتاور / سرعت (N.m/r/min) انتشار
14t SC5D122G2B1 90/1800 550/1500 EURO II
16t/18t SC8D156.2G2B1 115/1800 765/1260 EURO II
18t/20t SC8D175.1G2B1 128/2000 720/1400 EURO II
SC8D180G2B1 132/2000 700/1500 EURO II
SC8D190.1G2B1 140/2200 720/1540 EURO II
22/24t SC8D185G2B1 136/2000 750/1500 EURO II
SC8D190.1G2B1 140/2200 720/1540 EURO II
25/26t SC8D190.2G2B1 140/2000 750/1540 EURO II
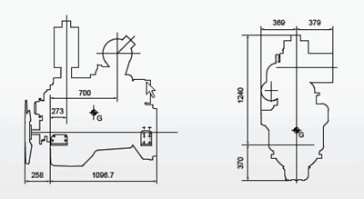
ابعاد موتور نمونه SC8D180G2
صفحه اصلی
    1. 4114,6114 موتور دیزل 4114موتور دیزل را بر اساس موتور دیزل 6114 توسه می یابد ، قدرت پوشش از 114 سریال دیزل ...
    1. D9 موتور دیزل بر اساس 6114 موتور دیزل ، طراحی مجدد اجزاء اصلی دنبال به مزایای 6114 موتور دیزل،9D موتور دیزل ...